MN-L80X-DP
The MN-L80X-DP is a fully integrated power line communication (PLC) module featuring ultra-compact
dimensions and a P2.54mm gold finger mounting design. Its external PA solution enhances transmission capacity
by approximately 15dB compared to the built-in PA module. This versatile module is widely applicable to PLCbased real-time communication applications, including smart street lighting, smart home systems, intelligent
parking, central air conditioning, and ubiquitous power Internet of Things (IoT) terminal devices.
The MN-L80X-DP is an integrated high/low-speed multi-mode power line carrier communication modem
with an ARM Cortex-M3 processor, supporting P 1901.1 and OFDM/FSK modulation
The MN-L80X-DP provides rich peripheral interfaces such as UART, PWM, and GPIO, with an integrated
built-in line driver. It runs on Huawei’s open-source IoT operating system LiteOS, offering a more open
development environment and a faster, safer operating system.
Product Advantage
1) CPU and Memory Performance
- High-performance Cortex-M3 processor with a clock speed of 200MHz
- Embedded SRAM 256KB
2) Communication Index
- Compatible with the IEEE1901.1 (PLC-IoT) standard subset, chips utilizing this subset enable seamless interoperability.
- Communication frequency band: 0.076MHz-5.7MHz, with five adjustable segments: 2.5MHz-5.7MHz (high-speed), 0.5
MHz-3.7MHz, 0.7MHz-3MHz, 0.2MHz-0.47MHz, and 0.076MHz-0.145MHz (low-speed anti-interference). Subcarriers
are configurable. - The peak rate of the physical layer is 0.507 Mbit/s, and the application layer rate is 80 Kbps.
- The receiving sensitivity is superior to 0.2 mVpp (approximately-110 dB, laboratory conditions), with stable reception under
strong noise. - Featuring OFDM technology, it supports BPSK/QPSK modulation modes with FEC and CRC functions, offering robust noise
reduction and error correction capabilities.
3) MAC Characteristic
- The hybrid access method combines TDMA (Time Division Multiple Access) with CSMA/CA (Carrier Sense Multiple Access with Collision
Avoidance). - Supports time slot allocation, allowing dedicated time slots for different nodes based on service requirements to improve real-time performance and
reliability. - Supports data segmentation and reassembly, enabling fragmented transmission of data exceeding the maximum frame length of the MAC layer.
- Provides retransmission and CRC check to ensure data transmission accuracy
- Supports multi-level QoS (typically 4 levels), allowing different priorities for control commands, meter reading data, status reports, and other services.
4) Networking Characteristics
- The tree network consists of three types of nodes: CCO (core node, responsible for network construction and management), STA (terminal),
and PSTA (relay). - A single CCO can handle up to 1,000 nodes, with a typical 500-node, 2-tier scenario completing auto-networking in 10 seconds.
- Supports 15-level relay, dynamic routing, and multi-path addressing, automatically switching to the optimal path during network fluctuations
- Supports unicast, multicast, and broadcast; hardware AES128/256 with whitelisting and secure boot capabilities
5) Module Power Consumption
- Static power consumption (listening) <100mW@3.3V
- Power consumption in idle state <50mW@3.3V
- Dynamic power consumption (full-power emission) <700mW@3.3V
- Dynamic power consumption: Typical 12V (full configuration mode) <4.074W @50 ohm load + 16Vpp,
typical value <1300mW@50 ohm load + 16Vpp - Maximum power consumption: 3.3V, maximum current: 220mA; typical 12V, maximum current: 330mA
- Technical Parameters
- Module Packaging and Pin Definition
- Operating voltage range: 3.3V ±10%,8V-32V (typically 12V ±10%)
- Operating temperature range: -40℃ to 85℃
- Storage temperature range: -40℃ to 125℃
35mm*15mm(18mm)*1.6mm




Pin definition and multiplexing instructions:
PIN order number PIN definition Multiplexing signals and other instructions Front-side pin distribution of the gold finger (pins 1-9) 1 PLC+ PLC+ communication
The interface requires designing a filtering network to isolate it from other AC power sources; generally, protection capability is
required.
Power: Differential Mode/Common Mode: +/-4KV2 PLC- PLC-Communication port: A filtering network must be designed to isolate it from other AC power sources; generally
Protection level: Common-mode/ differential-mode: +/-4KV3 GND Scientific GND 4 12V PA power input 5 3.3V Power input 6 UART0_RXD GPIO9, Multiplexed Signal 1: UART0_RX (the default service port for external
MCU communication, with a 10K pull-down implemented in the module's internal
design)7 UART0_TXD GPIO 10, Multiplexed Signal 1: UART0_TX (the default service port for
external MCU communication, with a built-in 10K pull-up on the module)8 GPIO0 GPIO 15, General I/O Input/Output 9 PWM0 GPIO0, default multiplex signal 2: PWM_OUT 1 Distribution of the reverse pins of the gold finger (pins 9-18) 10 GPIO1 GPIO 16, General I/O Input/Output 11 PWM1 GPIO 19, Multiplex Signal 2: PWM_OUT 2 12 GPIO2 GPIO 17, General I/O Input/Output 13 GPIO3 GPIO 18, General I/O Input/Output 14 ADC1 VIN4, ADC input (module design with a series 75R currentlimiting resistor and a ground decoupling capacitor) 15 ADC2 VIN 5, ADC input (module design with a series 75R currentlimiting resistor and a ground decoupling capacitor) 16 UART1_RXD UART1_RXD, Multiplex Signal 0: This is the default input for UART1 data
reception, featuring a built-in 10kΩ pull-up resistor. It is used for programming
tests.17 UART1_TXD UART1_TXD, Multiplex Signal 0: This is the default input for UART1 TXD. The module'
s internal design includes a 10kΩ pull-up resistor, and UART1 data reception is used for
programming tests. 18 RST RSTN, System Reset Signal Input, Low Level Active18 RST RSTN, System Reset Signal Input, Low Level Active
User-Side Hardware Design Reference
1) Power Supply Input Design Requirements
- Place at least one 10uF/12V input capacitor (0.1uF to ground) and decoupling capacitor near the 3.3V/12V input terminals of the motherboard module to reduce power supply ripple, with peak-to-peak ripple below 100mVpp.
- Place a TVS diode near the 3.3V/12V input terminals of the motherboard module to dissipate surge currents.
- The 3.3V module and other 3.3V components on the motherboard use 600R/100MHz magnetic bead isolation with a current rating of 1A or higher.
- The 3.3V module circuit must provide a minimum current of 250mA or higher.
- The 12V circuit module must provide a minimum current of 350mA or higher.
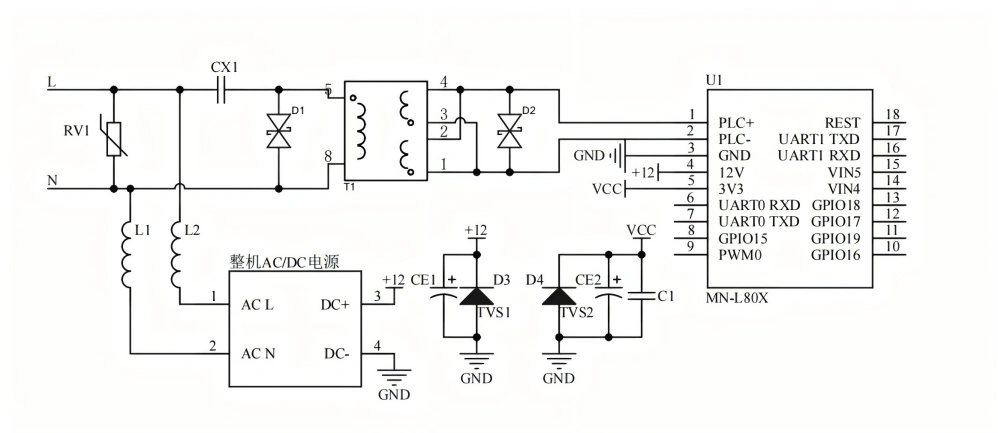
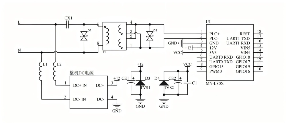
2) User Side Signal Coupling Reference Circuit

A Typical Single-phase AC Coupled Reference Circuit Diagram

A Typical Single-phase DC Coupled Reference Circuit Diagram
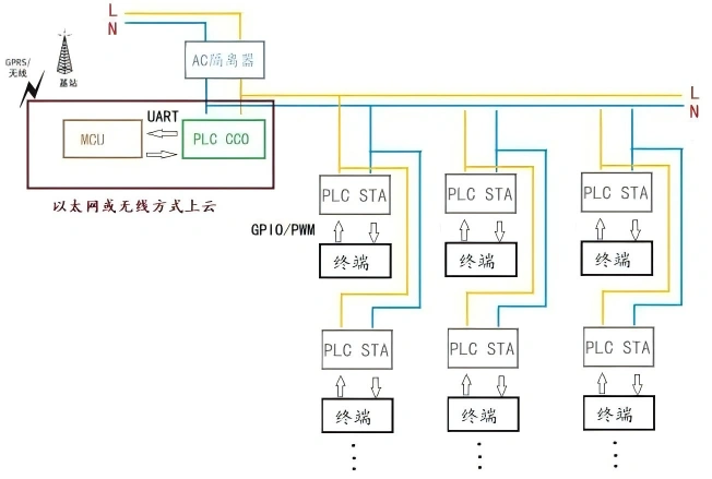
3) CCO and STA Typical Networking

- CCO stands for PLC Central Controller, and STA stands for PLC Station.
- The CCO is hardware-compatible with the STA, but the software differs.
- In simple applications, CCO can operate independently without requiring an external MCU. For cloud-based networking, an external MCU is needed to establish the connection via wired Ethernet or wireless means.
- In a typical CCO networking environment, it is recommended to install an AC220 isolator on the 220VAC line at the CCO front end to filter out noise from other power networks. This prevents interference with local CCO network communication quality and reduces the impact of local CCO on other PLC communication networks



