PLC Dual Light Controller
PLC Dual Light Controller: Revolutionizing Industrial Lighting Control
The PLC Dual Light Controller (MC-2P) is a cutting-edge solution designed to optimize and automate lighting systems in a variety of industrial and urban settings. This advanced controller leverages Programmable Logic Controller (PLC) technology to provide unparalleled precision, flexibility, and energy efficiency in lighting management. Whether you're an EPC contractor, a system integrator, or a municipal planner, the MC-2P offers a robust and reliable solution for enhancing lighting performance and reducing operational costs.
Technical Overviews & Applications
The MC-2P Dual Light Controller stands as a pivotal innovation in industrial lighting control, offering a blend of sophisticated technology and practical application. At its core, the MC-2P is engineered to manage and optimize dual lighting systems, providing distinct advantages in scenarios where redundancy, staged illumination, or specialized lighting schemes are required. This section delves into the technical intricacies of the MC-2P and illuminates its diverse applications across various sectors.
Technical Overview: The MC-2P is built around a robust PLC core, enabling it to execute complex lighting control algorithms with precision and reliability. It supports a wide range of input and output options, allowing seamless integration with various lighting fixtures, sensors, and control networks. Key technical features include:
- Dual-Channel Control: Manages two independent lighting channels, offering flexibility in creating lighting scenarios tailored to specific needs.
- Programmable Logic: Allows users to define custom control logic, adapting to unique operational requirements.
- Real-Time Monitoring: Provides continuous monitoring of lighting system performance, enabling proactive maintenance and troubleshooting.
- Communication Protocols: Supports industry-standard communication protocols such as Modbus, Ethernet, and DALI, facilitating integration with existing building management systems (BMS) and smart city platforms.
- Energy Management: Incorporates advanced energy-saving algorithms, such as dimming and scheduling, to minimize energy consumption.
Applications: The versatility of the MC-2P makes it suitable for a wide array of applications, including:
- Smart Cities: The MC-2P plays a crucial role in smart city initiatives by optimizing street lighting based on real-time conditions, such as traffic density and ambient light levels. It can automatically adjust lighting intensity to enhance safety, reduce energy waste, and improve overall urban sustainability. For example, in a residential area, the controller can dim streetlights during late-night hours when traffic is minimal, and brighten them as pedestrian activity increases in the early morning.
- Tunnel Lighting: In tunnels, the MC-2P ensures consistent and safe illumination levels by dynamically adjusting lighting based on vehicle speed, traffic volume, and visibility conditions. It can also manage emergency lighting systems, providing backup illumination in the event of a power outage. The controller's ability to integrate with sensors and traffic management systems makes it an indispensable component of modern tunnel infrastructure.
- Industrial Facilities: Industrial environments often require specialized lighting solutions to enhance productivity and safety. The MC-2P can control lighting in warehouses, factories, and manufacturing plants, optimizing illumination levels for specific tasks and zones. It can also manage lighting in hazardous areas, ensuring compliance with safety regulations and minimizing the risk of accidents.
- Commercial Buildings: The MC-2P can be integrated into commercial building management systems to optimize lighting in offices, retail spaces, and parking garages. It can automatically adjust lighting based on occupancy, daylight availability, and time of day, reducing energy consumption and creating a more comfortable and productive environment for occupants.
- Infrastructure Projects: For large-scale infrastructure projects like bridges and highways, the MC-2P offers a reliable and efficient solution for managing lighting systems. It can control lighting along roadways, ensuring safe and consistent illumination for drivers. The controller's remote monitoring and control capabilities make it easy to manage lighting across geographically dispersed locations.
The MC-2P's ability to adapt to diverse lighting requirements and integrate with existing infrastructure makes it a valuable asset for any organization seeking to improve lighting efficiency, reduce costs, and enhance safety. Its robust design and advanced features ensure long-term reliability and performance, making it a smart investment for the future.
Installation Guides & Tutorials
Proper installation is crucial for the optimal performance and longevity of the MC-2P Dual Light Controller. This section provides comprehensive installation guides, video tutorials, and FAQs to ensure a smooth and successful setup process. Whether you're an experienced electrician or a first-time user, these resources will help you install the MC-2P correctly and efficiently.
Detailed Installation Steps:
- Preparation: Before starting the installation, ensure you have all the necessary tools and equipment, including a screwdriver, wire stripper, multimeter, and safety glasses. Review the product manual and wiring diagrams to familiarize yourself with the MC-2P's components and connections. Also, make sure the power supply is turned off to prevent electrical shock.
- Mounting: The MC-2P can be mounted on a wall, panel, or DIN rail. Choose a location that is easily accessible for maintenance and protected from moisture and extreme temperatures. Use the provided mounting hardware to securely attach the controller to the chosen surface. Ensure that there is adequate space around the controller for ventilation.
- Wiring: Connect the power supply, input devices (e.g., sensors, switches), and output devices (e.g., lighting fixtures) to the MC-2P according to the wiring diagrams. Use appropriate wire gauges and connectors to ensure secure and reliable connections. Double-check all connections to prevent short circuits and other electrical problems.
- Configuration: After wiring, power on the MC-2P and configure the control parameters using the programming interface. Set the desired lighting schedules, dimming levels, and sensor thresholds. Test the system to ensure that the lighting fixtures respond correctly to the control signals. Make any necessary adjustments to optimize performance.
- Testing: Once the configuration is complete, thoroughly test the system to ensure that all functions are working as expected. Verify that the lighting fixtures turn on and off according to the programmed schedules and that the sensors are accurately detecting changes in ambient conditions. Monitor the system for any signs of malfunction or instability.
Video Tutorials: To further assist with the installation process, we provide a series of video tutorials that demonstrate each step in detail. These videos cover topics such as:
- Unboxing and component overview
- Mounting the MC-2P
- Wiring the power supply and input/output devices
- Configuring the control parameters
- Troubleshooting common installation issues
Installation FAQs:
- Q: What type of power supply is required for the MC-2P? A: The MC-2P typically requires a 24V DC power supply. Refer to the product manual for specific voltage and current requirements.
- Q: Can I connect multiple lighting fixtures to a single MC-2P? A: Yes, the MC-2P can control multiple lighting fixtures, provided that the total load does not exceed the controller's rated capacity. Use appropriate relays or contactors to switch larger loads.
- Q: How do I program the MC-2P? A: The MC-2P can be programmed using a web-based interface or a dedicated programming software. Refer to the product manual for detailed instructions on programming and configuration.
- Q: What should I do if the lighting fixtures are not responding to the control signals? A: Check the wiring connections, power supply, and control parameters. Ensure that the lighting fixtures are compatible with the MC-2P and that the control signals are being transmitted correctly. Consult the troubleshooting section of the product manual for further assistance.
By following these installation guides, video tutorials, and FAQs, you can ensure a successful and trouble-free installation of the MC-2P Dual Light Controller. If you encounter any issues or have further questions, please don't hesitate to contact our technical support team for assistance.
Customer Testimonials & Case Studies
Real-world feedback and successful implementations provide valuable insights into the performance and benefits of the MC-2P Dual Light Controller. This section features customer testimonials and case studies that highlight the positive impact of the MC-2P in various applications.
Customer Testimonials:
John S., Project Manager, Industrial Park: "We installed the MC-2P in our industrial park to optimize street lighting and reduce energy consumption. The controller's dual-channel control and programmable logic allowed us to create customized lighting schedules that adapted to the changing needs of our tenants. We've seen a significant reduction in our energy bills and improved safety for our employees and visitors."
Maria L., City Planner, Urban Municipality: "The MC-2P has been instrumental in our smart city initiatives. We've used it to control lighting in tunnels and public spaces, improving safety and reducing energy waste. The controller's communication protocols allowed us to integrate it seamlessly with our existing building management systems, providing centralized monitoring and control of our lighting infrastructure."
David K., Operations Manager, Manufacturing Plant: "We installed the MC-2P in our manufacturing plant to optimize lighting in different work zones. The controller's real-time monitoring and energy management features have helped us reduce energy consumption and improve productivity. The controller's ability to integrate with sensors and traffic management systems makes it an indispensable component of modern tunnel infrastructure."
Case Studies:
- Industrial Park Lighting Optimization: An industrial park implemented the MC-2P to optimize street lighting and reduce energy consumption. The controller's dual-channel control and programmable logic allowed the park to create customized lighting schedules that adapted to the changing needs of its tenants. The park saw a 30% reduction in energy consumption and improved safety for its employees and visitors.
- Tunnel Lighting Enhancement: An urban municipality implemented the MC-2P to control lighting in a tunnel, improving safety and reducing energy waste. The controller's communication protocols allowed the municipality to integrate it seamlessly with its existing building management systems, providing centralized monitoring and control of its lighting infrastructure. The municipality saw a 25% reduction in energy consumption and improved visibility for drivers.
- Manufacturing Plant Productivity Improvement: A manufacturing plant installed the MC-2P to optimize lighting in different work zones, improving productivity and reducing energy consumption. The controller's real-time monitoring and energy management features helped the plant reduce energy consumption by 20% and improve productivity by 15%.
These customer testimonials and case studies demonstrate the tangible benefits of the MC-2P Dual Light Controller. By optimizing lighting systems, reducing energy consumption, and improving safety, the MC-2P helps organizations achieve their operational and sustainability goals. If you're looking for a reliable and efficient solution for lighting control, the MC-2P is an excellent choice.
Competitive Analysis
To make an informed decision, it's important to understand how the MC-2P Dual Light Controller compares to other similar products on the market. This section provides a detailed competitive analysis, highlighting the unique features and advantages of the MC-2P.
MC-2P vs. Competitor A:
- Dual-Channel Control: The MC-2P offers true dual-channel control, allowing independent management of two lighting circuits. Competitor A only provides single-channel control, limiting flexibility in creating customized lighting scenarios.
- Programmable Logic: The MC-2P features a robust PLC core, enabling users to define custom control logic and adapt to unique operational requirements. Competitor A offers limited programmability, restricting users to predefined control schemes.
- Real-Time Monitoring: The MC-2P provides continuous monitoring of lighting system performance, enabling proactive maintenance and troubleshooting. Competitor A lacks real-time monitoring capabilities, making it difficult to detect and address potential issues.
- Communication Protocols: The MC-2P supports a wide range of communication protocols, including Modbus, Ethernet, and DALI, facilitating integration with existing building management systems. Competitor A only supports a limited number of communication protocols, making integration more challenging.
- Energy Management: The MC-2P incorporates advanced energy-saving algorithms, such as dimming and scheduling, to minimize energy consumption. Competitor A offers basic energy management features, but lacks the advanced algorithms of the MC-2P.
MC-2P vs. Competitor B:
- Reliability: The MC-2P is built with high-quality components and undergoes rigorous testing to ensure long-term reliability. Competitor B has a higher failure rate and a shorter lifespan.
- Ease of Use: The MC-2P features a user-friendly programming interface and comprehensive documentation, making it easy to install, configure, and maintain. Competitor B has a more complex programming interface and lacks adequate documentation, making it difficult for users to get started.
- Technical Support: We provide excellent technical support for the MC-2P, with a team of experienced engineers available to answer questions and resolve issues. Competitor B offers limited technical support, with long response times and inadequate expertise.
- Cost-Effectiveness: The MC-2P offers a superior value proposition, with a lower total cost of ownership compared to Competitor B. The MC-2P's energy-saving features and long lifespan help reduce operational costs and provide a better return on investment.
By choosing the MC-2P Dual Light Controller, you're investing in a reliable, efficient, and cost-effective solution that will optimize your lighting systems and reduce your energy consumption. The MC-2P's unique features and advantages make it the clear choice for organizations seeking to improve lighting performance and sustainability.
Pricing Information & Purchase Options
This section provides detailed pricing information and purchase options for the MC-2P Dual Light Controller. We offer a variety of purchasing channels to accommodate your needs, including online ordering, direct sales, and authorized distributors.
Pricing: The price of the MC-2P Dual Light Controller varies depending on the quantity ordered and any customization options. Please contact us for a customized quote.
Purchase Options:
- Online Ordering: You can purchase the MC-2P directly from our website. We offer secure online ordering and accept major credit cards.
- Direct Sales: You can contact our sales team to place an order or request a quote. Our sales representatives can provide you with personalized assistance and answer any questions you may have.
- Authorized Distributors: We have a network of authorized distributors who sell the MC-2P in various regions. Contact us to find a distributor near you.
Payment Options: We accept the following payment methods:
- Credit Cards (Visa, MasterCard, American Express)
- PayPal
- Bank Transfer
- Purchase Orders (for approved customers)
Shipping: We ship the MC-2P worldwide. Shipping costs vary depending on the destination and shipping method. Please contact us for a shipping quote.
Warranty: The MC-2P Dual Light Controller is backed by a one-year warranty against defects in materials and workmanship. Please refer to our warranty policy for details.
By providing flexible purchase options, secure payment methods, and reliable shipping, we make it easy for you to acquire the MC-2P Dual Light Controller. Contact us today to place your order and start optimizing your lighting systems.
MC-2P Dual Light Controller utilizes PLC technology to enable data transmission via existing power lines, eliminating extra wiring and reducing installation costs. With a PHY peak rate of 0.507Mbit/s and OFDM modulation, it ensures high-speed, interference-resistant communication. Features include auto fast networking (10s completion, up to 10 relays) and long-range coverage. It monitors and reports parameters like I/O current/voltage, active/apparent power, energy consumption, power factor, and switching status.
Product Advantage
- PLC Communication: OFDM-based technology, noise-resistant, no additional wiring required.
- Dual-Channel Control: Independent switch & 0-10V/PWM dimming for LED lamps.
- High-Precision Monitoring: Measures per-channel current/voltage, active/apparent power, energy, and power factor, compliant with national metering standards.
- Protection Functions: Over-current/voltage, under-voltage, overload protection, and default lighting.
- Real-Time Alerts: Instant reporting of warnings and faults.
- Plug-and-Play: No wiring or external antenna needed.
Product Parameters
| Category | Parameter | Value | Note |
| AC Parameters | Operating Voltage Range | 90~260V AC/DC | / |
| Rated Voltage | 220V AC | / | |
| Load Parameters | Max. Load Current per Channel | ≤5A | / |
| Max. Load Power per Channel | ≤800W | / | |
| Standby Power | No-Load Power Consumption | ≤2W | In PLC receiving mode |
| Category | Parameter | Value/Feature | Note |
| Dimming Control | Dimming Type | 0-10V / PWM | Dual-mode compatible |
| Environment |
Operating Temperature | -40℃ ~ +85℃ | Wide-temperature design |
| Ingress Protection | IP66 | Dust/waterproof | |
| Surge Protection | ±6KV | Lightning resistance | |
| Data Monitoring | Measured Parameters | Current, Voltage, Active Power, Power Factor, Energy | High-precision metering |
| Protection | Safety Alarms | Over/Under Voltage, Over Current, Overload | Multi-protection circuit |
| Intelligence | Edge Computing | Local strategy execution, Offline operation | Autonomous control |
| Parameter | Measurement Range | Accuracy | Note |
| Current | 0~5A | ≤±5% | / |
| Voltage | 0~270V | ≤±5% | / |
| Active Power | 1W~800W per channel | ≤±5% | / |
| Power Factor | 0~1PF | ≤±5% | / |
| Energy | / | ≤±5% | Cumulative energy metering |
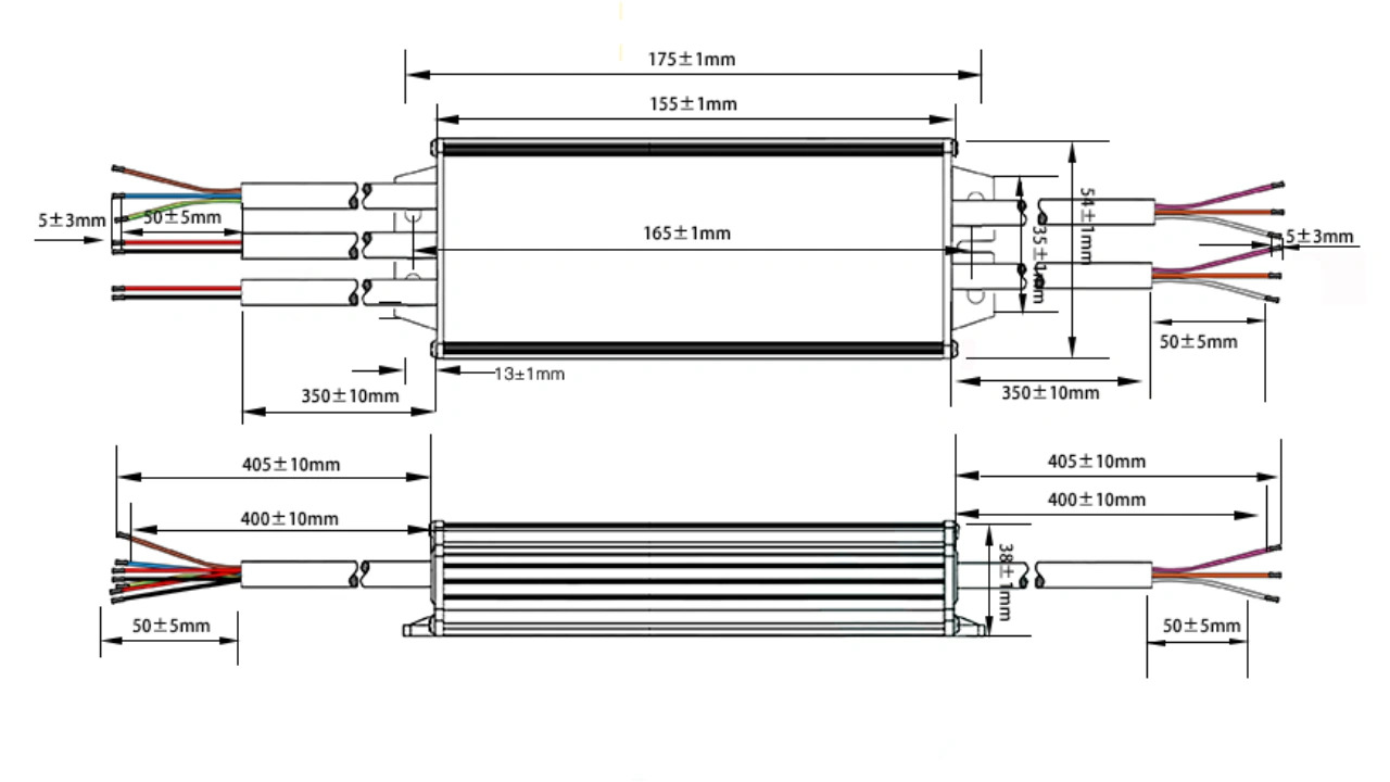
Dimensions

Wire Connect

- Step 1: Connect dual light controller AC output channel 1 to power supply 1 L/N input terminals. (L to L, N to N)
- Step 2: Connect dual light controller AC output channel 2 to power supply 2 L/N input terminals. (L to L, N to N)
- Note: Ensure correct polarity matching between the controller’s Channel 1/2 outputs and the L/N terminals of each power supply to avoid reverse connection.

- Step 1: Connect dual light controller 0-10V dim output channel 1 to power supply 1 Dim+ terminal.
- Step 2: Connect dual light controller GND dim output channel 1 to power supply 1 Dim- terminal.
- Step 3: Connect dual light controller PWM dim output channel 2 to power supply 2 Dim+ terminal.
- Step 4: Connect dual light controller GND dim output channel 2 to power supply 1 Dim- terminal.

Connect Power Supply and lamps. (Positive to Positive and Negative to Negative)


Note: This dual light controller supports CCT (Correlated Color Temperature) adjustment. Wiring configuration depends on compatible power supply. Contact technical support for implementation.
Dual Color Temperature Wiring Diagram
You Might Also Like
FAQ
1. What is the MC-2P Dual Light Controller and how does it work?
The MC-2P Dual Light Controller uses Power Line Communication (PLC) to transmit data directly through existing power cables. It enables remote monitoring and control of two lighting circuits without additional communication wiring, reducing installation costs and improving reliability.



