MN-L80C PLC Module
MN-L80C Power Line Communication (PLC) Module
The MN-L80C is a fully integrated, ultra-compact PLC communication module designed for easy wiring and space-efficient deployment. It is ideal for a wide range of PLC applications, including smart lighting, smart homes, intelligent parking, HVAC control, Fan Filter Units (FFU), smart transportation, smart security systems, smart water management, smart energy devices, smart metering, and ubiquitous IoT terminal devices.
High-Performance Chip
Powered by the PS0211 chip, the MN-L80C combines a high-speed/low-speed multi-mode PLC modem with an ARM Cortex-M3 processor. It supports IEEE P1901.1 standards and OFDM/FSK modulation, ensuring reliable, high-speed PLC communication for smart city and industrial IoT applications.
Versatile Interfaces
The module provides UART, PWM, and GPIO interfaces along with a built-in line driver, allowing flexible integration into PLC-based smart lighting, IoT, and energy management systems.
Developer-Friendly Design
The MN-L80C offers an open development environment and a fast, secure operating system, enabling quick deployment of PLC-enabled smart devices and IoT solutions.
Product Advantage
1. CPU and Storage Performance
- High-performance Cortex-M3 processor, operating frequency 200MHz.
- Embedded SRAM 256KB.
2. Physical Layer Features
- Implements the IEEE 1901.1 standard subset, and can achieve interoperability with chips that also use this subset.
- Supports two frequency bands: 0.5-3.7MHZ and 2.5-5.7MHZ, and the frequency band can be configured by software.
- Uses OFDM technology and supports BPSK and QPSK modulation modes.
- Supports FEC and CRC functions, powerful noise removal and error correction capabilities.
3. MAC Features
- Supports TDMA and CSMA/CA, providing conflict avoidance mechanism.
- Supports data segmentation and reorganization to improve transmission efficiency.
- Supports data retransmission mechanism.
- Supports 4 levels of QoS to meet the service quality requirements of different businesses.
4. Networking Features
- Supports automatic and fast networking, typical 200-scale, 2-layer network scenario completes fast networking in 10 seconds, supports fast communication.
- Supports dynamic routing, multi-path addressing.
5. Peripheral Interfaces
- I2C interface, UART interface, GPIO interface, PWM output, ADC input.
6. Communication Indicators
- Physical layer peak rate 0.507Mbit/s, application layer rate 80Kbps.
- Receiver sensitivity better than 0.2mVpp.
Product Parameters
| Module Name | MN-L80C |
| Main IC | PS0211 |
| Main Interfaces | UART, PWM, GPIO, ADC |
| Communication Methods | Power line communication, supports P1901.1 and OFDM/FSK modulation |
| PCB Size | L*W*H: 20.00mm*11.00mm*2.4mm |
| PCB Thickness | 1.2±0.1mm |
| Operating Voltage | 3.3±0.3VDC |
| Operating Temperature | -40℃~+85℃ |
| Storage Temperature | -40℃~+125℃ |
Dimensions
1)Module Appearance

2)Pin Block Diagram

Module Package Size

Hardware Design Description
1)Input Power Requirements
| Min | Type | Max | Unit | |
| 3.3Vin | 3.0 | 3.3 | 3.6 | V |
- Place at least one 10uF, 0.1uF ground energy storage capacitor near the 3.3V input of the module on the mainboard to reduce the power ripple. The peak-to-peak value of the ripple is within 100mVpp.
- The module 3.3V is isolated from other 3.3V on the mainboard by using 600R/100MHz, 1A or more ferrite beads.
- The module 3.3V circuit guarantees at least 200mA or more current requirements.
2)PLC Module Docking Whole Machine Design
For the overall product design, the safety protection design on the L/N line, and the PLC signal coupling design, it is strongly recommended to refer to the following circuit diagram and material selection.

Note: In the figure, the T1 transformer is a 1:1 transformer; the C1 safety capacitor is recommended to be a 10nF safety capacitor; the primary and secondary bidirectional TVS protection tube (D1/D2) is required; the PLC signal access point on the L/N line needs to be behind the varistor (RV1), and the varistor junction capacitance is recommended to be less than 600pF. Two differential mode inductors (L1/L2) need to be connected in series behind the PLC signal to isolate it from the power supply of the whole machine, and the differential mode inductor value is recommended to be 50~100uH.
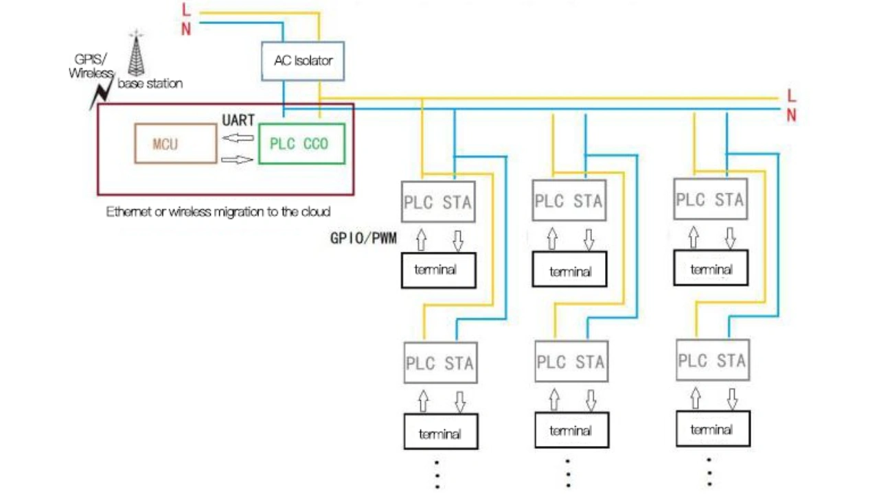
3)CCO and STA Typical Networking Diagram

- CCO is the PLC centralized controller, and STA is the PLC station.
- CCO and STA have the same hardware but different software.
- In simple applications, CCO can be networked independently without an external MCU. Networking that requires cloud access requires an external MCU to be implemented through wired Ethernet or wireless.
- In a typical CCO networking environment, it is recommended to add an AC220 isolator to the 220VAC line at the front end of the CCO to filter out noise from other power networks to avoid affecting the local CCO network communication quality. This also reduces the interference of the local CCO on other PLC communication networks.



